Червячный редуктор 50:1 NMRV40, червячный редуктор, диаметр входного вала 14 мм
руб.0
- В наличии: 1
- Модель: NMRV40-G50-D14
- Вес брутто: 2.66kg
- Сертифицировано: ISO
Минимальное количество для заказа: 999
Выберите местный склад, получите больше преимуществ!
Клиентам из России рекомендуется в первую очередь использовать локальный склад в России, так как это обеспечивает более быструю доставку, удобное послепродажное обслуживание и позволяет избежать таможенного оформления, экономя время и средства.
Клиенты из всех стран также могут выбрать склад в Китае.
Клиенты из всех стран также могут выбрать склад в Китае.
Этот червячный редуктор предназначен для шагового двигателя Nema 34 или другого двигателя размером 86 x 86 мм. Выходной вал смещен на 90° относительно ведущего вала. Преимуществом этого редуктора является эффективность и самоблокировка. Помимо большого корпуса, конструкция без зазоров в корпусе обеспечивает герметичность и отсутствие необходимости в обслуживании. Это предотвращает утечку и порчу смазки, а также её замену.
Особенность
- Высокий крутящий момент и высокая прочность
- Червячное колесо: Бронза Cu Sn12 Ni2 (UNI7013-10)
- Отличная механическая прочность и особый вес
- Алюминиевые блоки поставляются с синтетическим маслом и допускают универсальные монтажные положения без необходимости изменения количества смазки.
Технические характеристики коробки передач
- Номер детали производителя: NMRV40-G50-D14
- Тип редуктора: Червячный редуктор
- Передаточное отношение: 50:1
- Максимально допустимый выходной крутящий момент: 38 Нм (336,33 фунт-дюйм)
- Максимальная радиальная нагрузка на выход: 2,47 кН
- Тип выхода: полый ствол
- Диаметр выходного отверстия: Φ18 мм
- Тип входного вала: Шпоночный паз
- Диаметр входного вала: Φ14 мм
- Макс. длина входного вала: 35 мм
Примечание
- Рекомендуемая входная скорость <=1500 об/мин.
- Из-за большого люфта червячные редукторы не подходят для позиционирования.

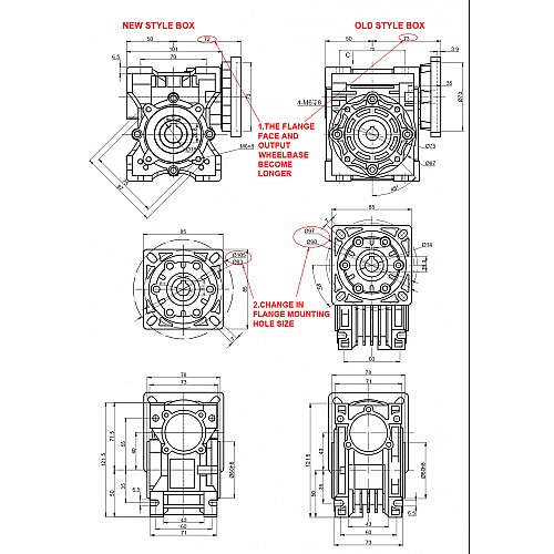
Червячный редуктор модернизирован за счёт использования более качественных материалов. Если вам нужна новая версия, см. NMRVS40-G50-D14.
Если вы хотите узнать больше о разнице между старыми и новыми червячными передачами, прочитайте эту статью .
Для червячных редукторов обычно рекомендуется использовать тип установки B3. Если вы используете другие типы установки, свяжитесь с нами для индивидуального заказа.
| Физические характеристики | |
| Диаметр входного вала (мм) | 14 |
| Максимальная длина входного вала | 35 мм |
| Метод инвентаризации | Выделенный инвентарь |
| Передаточное отношение | 50 |
| Размер коробки передач | 040 |
| Соответствующий тип двигателя | Шаговый двигатель размера Nema |
| Тип коробки передач | Червячный редуктор |
